Lucas Industrial: Specializing In Power Transmission Products Call Now! 1-800-877-1720
Committed to Quality
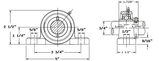
Products > Bearings > Mounted Bearings > Pillow Block - Eccentric Type > HCPK204-12
Part #DHH0LJN1AH1NBSTBoltWt.
HCPK201-81/21 1/42 1/253 3/45/81 1/29/161/21.46880.54690.37503/81.4
HCPK202-105/81 1/42 1/253 3/45/81 1/29/161/21.46880.54690.37503/81.3
HCPK204-123/41 1/42 1/253 3/45/81 1/29/161/21.71260.66930.37403/81.6
HCPK205-147/81 5/162 3/45 1/24 1/83/41 1/29/161/21.74410.68500.37413/81.8
HCPK205-1611 5/162 3/45 1/24 1/89/161 1/29/161/21.74410.68500.37403/81.8
HCPK206-181 1/81 9/163 1/46 5/164 3/43/41 3/45/89/161.90160.71650.46851/23.0
HCPK206-191 3/161 9/163 1/46 5/164 3/43/41 3/45/89/161.90160.71650.46851/23.0
HCPK206-201 1/41 9/163 1/46 5/164 3/43/41 3/45/89/161.90160.71650.46851/23.0
HCPK207-201 1/41 13/163 5/86 9/1653/41 7/811/169/162.01180.74020.53151/23.7
HCPK207-221 3/81 13/163 5/86 9/1653/41 7/811/169/162.01180.74020.53151/23.7
HCPK207-231 7/161 13/163 5/86 9/1653/41 7/811/169/162.01180.74020.53151/23.7
HCPK209-271 11/162 1/164 1/87 7/165 3/413/162 1/813/169/162.21650.84250.53151/25.3
HCPK210-311 15/162 3/164 7/168 1/326 1/47/82 3/813/163/42.46850.96850.53155/86.0
HCPK210-3222 3/164 7/168 1/326 1/47/82 3/87/83/42.81101.09060.62995/86.0
HCPK211-3222 7/164 29/328 5/86 25/327/82 3/87/83/42.81101.09060.62995/87.8
HCPK211-352 3/162 7/164 29/328 5/86 25/327/82 3/87/83/42.81101.09060.62995/87.8
HCPK212-392 7/162 11/165 3/89 3/87 5/1612 9/1615/163/43.06301.21650.62995/811.5
HCPK215-472 15/163 5/166 3/810 13/168 17/321 5/322 29/321 1/813.62601.46850.68903/417.2
Looking for prices?